System diagram

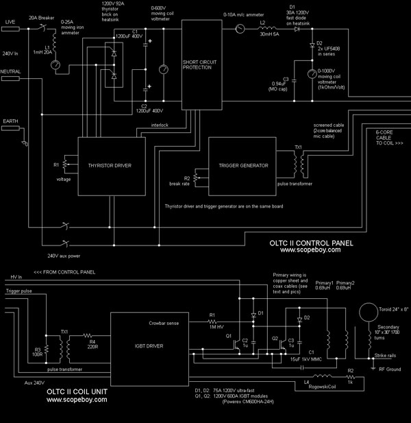
Here you can see how the little circuits I have described hook together to form the finished OLTC II. Some small parts are not shown, such as the power supplies for the trigger generator, and IGBT driver.

"It was a dark and dreary night in January, when I first beheld the accomplishment of my coil."


System block diagram. Click image for larger printable version


Thyristor driver


Trigger generator

Note: The trigger generator runs off the thyristor driver's 12V rail.


Short circuit protection, click to enlarge


IGBT driver sheet 1/2 (click to enlarge)


IGBT driver sheet 2/2 (click to enlarge)

Note: The IGBT driver power supply is not shown. It uses a 15-0-15V transformer with rectifier, filter caps, 7812 and 7805 regulators for the +12 and +5 rails, and a LM317 giving an adjustable 20 to 30V rail.

<<< Previous: Short circuit protection Next: The end is in sight >>>
Return to TC Page